Information on the most widely used ASTM standards within the materials testing industry
ASTM D897
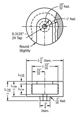
ASTM D897 ADHESIVE BOND TENSILE FIXTURES is designed and produced according the standard ASTM D897, it is a test method used to determine the comparative tensile strength of adhesive bonds, primarily between metal-to-metal substrates. The test involves bonding two standard cylindrical metal specimens together and pulling them apart in pure tension until the bond fails.
Conform with standard: ASTM D897, GOST 14760-69, GOST 209-75-A
General introduction
ASTM D897 ADHESIVE BOND TENSILE FIXTURES is designed and produced according the standard ASTM D897, it is a test method used to determine the comparative tensile strength of adhesive bonds, primarily between metal-to-metal substrates. The test involves bonding two standard cylindrical metal specimens together and pulling them apart in pure tension until the bond fails. The result provides a quantitative measure of the adhesive's tensile holding power for quality control, material comparison, and evaluating effects of surface preparation and environmental exposure. ASTM D897 is a comparative tensile test method for metal‑to‑metal adhesive bonds, used to measure bond strength, failure mode, and durability under controlled conditions. It is widely used for adhesive selection, quality control, and performance validation in engineering and manufacturing.
This Self‑Aligning Grips ensure axial load alignment through the specimen’s centerline to prevent bending, special self-aligning grips or fixtures designed to apply a uniform, axial (non-eccentric) load to the specimen to minimize bending stresses.
Conform with standard: ASTM D897, GOST 14760-69, GOST 209-75-A

(Size according above from ASTM D897)
Main specification:
1. Load capacity: 20KN
2. Overall Dimensions: 260*80*80mm
3. Connection Thread: M20
4. Net Weight: 4kg
5. Material: Steel, nickel-plated.
Standard
ASTM D897 prescribed a method for determining the comparative tensile properties of adhesive bonds in a standard specimen when tested under specific conditions. Its primary purpose was to measure the tensile strength of an adhesive bond between two rigid substrates (metal to metal).
ASTM D412 test methods cover procedures used to evaluate the tensile (tension) properties of vulcanized thermoset rubbers and thermoplastic elastomers. These methods are not applicable to ebonite and similar hard, low elongation materials.
The methods appear as follows:
Test Method A—Dumbbell and Straight Section Specimens
Test Method B—Cut Ring Specimens
ISO 37 and ASTM D412 are both widely recognized tensile test methods designed to evaluate the stress-strain characteristics of various rubber materials, including natural rubber, synthetic rubber, silicone rubber, and thermoplastic elastomers (TPEs). While both standards aim to determine the tensile properties of rubber and elastomers, they differ in their specific methodologies and applications.
ASTM D882: Standard Test Method for Tensile Properties of Thin Plastic Sheeting
ASTM D882 test methods is used to measure tensile properties including ultimate tensile strength, yield strength, elongation, tensile energy to break and tensile modulus of elasticity of thin plastic sheeting and films. The samples are cut in strips that minimally have to be eight times longer than wide. No dumbbell shape is cut for materials of that thickness. Cut samples need to be free of nicks and other cutting defects since they will have an important impact on the test results variation. The samples are tested in specific conditions of pre-treatment, sample orientation, temperature, humidity, and rate of pulling. ASTM D882 can be used for testing materials thinner than 1mm in thickness.
ISO 527-1 Plastics — Determination of tensile properties Part 1: General principles
ISO 527-2 Plastics -- tensile properties -- Part 2: moulding and extrusion
ISO 527-1 covers the test procedures for determining tensile properties of plastics and plastic composites. Tensile properties of plastics that are determined through the practices of ISO 527-1 include tensile strength, tensile modulus and other properties related to stress strain characteristics of plastic materials.
ISO 527-2 specifies the test conditions for determining the tensile properties of moulding and extrusion plastics, based upon the general principles given in ISO 527-1. The methods described in ISO 527-2 are selectively suitable for use with the following range of materials: rigid and semi-rigid thermoplastics moulding, extrusion and cast materials, including compounds filled and reinforced by, for example, short fibres, small rods, plates or granules but excluding textile fibres (see ISO 527-4 and ISO 527-5).
Require More Customized Solutions?