Information on the most widely used ASTM standards within the materials testing industry
ASTM A185, ISO 15630-2 for steel wire mesh/ welded wire fabric
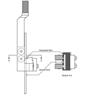
Tensile Shear Test Fixture Welded wire mesh is designed to determine the shear strength of welds in welded steel bars according to ASTM A185, ISO 15630-2 specifications. This standard is crucial for ensuring the quality of welded steel wire mesh used in concrete construction, as the integrity of welds directly affects the overall structural performance.
This fixture is suitable for various wire diameters and ensures correct alignment during testing. It typically has a support platform and V-shaped groove rollers to restrict longitudinal wires while applying shear forces to transverse wires. By accurately measuring the shear force applied to the weld seam, this fixture helps evaluate the quality of welded steel bars, ensuring their structural integrity and meeting the requirements of ASTM A185, ISO 15630-2. These data are crucial for manufacturers, quality control personnel, and engineers involved in concrete construction to verify the reliability of welded steel bars and ensure the long-term performance of reinforced concrete structures.
UnitedTest Shear fixture is used to test the welded wire mesh, steel wire mesh, welded wire fabric such as used for concrete reinforcement. The concrete construction industry relies on quality steel wire and welded wire reinforcement.
General introduction
Tensile Shear Test Fixture Welded wire mesh is designed to determine the shear strength of welds in welded steel bars according to ASTM A185, ISO 15630-2 specifications. This standard is crucial for ensuring the quality of welded steel wire mesh used in concrete construction, as the integrity of welds directly affects the overall structural performance.
This fixture is suitable for various wire diameters and ensures correct alignment during testing. It typically has a support platform and V-shaped groove rollers to restrict longitudinal wires while applying shear forces to transverse wires. By accurately measuring the shear force applied to the weld seam, this fixture helps evaluate the quality of welded steel bars, ensuring their structural integrity and meeting the requirements of ASTM A185, ISO 15630-2. These data are crucial for manufacturers, quality control personnel, and engineers involved in concrete construction to verify the reliability of welded steel bars and ensure the long-term performance of reinforced concrete structures.
UnitedTest Shear fixture is used to test the welded wire mesh, steel wire mesh, welded wire fabric such as used for concrete reinforcement. The concrete construction industry relies on quality steel wire and welded wire reinforcement.

Main technical specification
| Size | 85*100*150 |
| Weight | 8kg |
| Coupling | M20; Further couplings on request |
| Clamping handle diameter | 26mm |
| Suitable steel wire diameter | φ4-φ20 |
| Max. Load | 50kn |
| Blocks thickness | 8mm |
| Blocks numbers | 4 pcs standard, or on request according sample diameter. |
| Blocks size | 100*55mm; notch width=sample diameter + 2mm |
| Gross weight | 10kg |
| Dimensions | 300*170*120mm |
Standard
ASTM A497 and A185 testing fixtures are used to determine the shear strength of welded steel wire mesh. There is no substantial difference between the two standards ASTM A 497 and ASTM A 185, so they use the same testing fixture.
Cut a welded joint from the steel wire mesh, with the transverse wire extending approximately 1 inch on each side of the longitudinal wire. The longitudinal steel wire extends 2 inches or more above the joint and approximately 5 inches below the joint. The fixture is adjustable to accommodate steel wires of different diameters. The V-shaped groove roller restricts the longitudinal steel wire to keep the transverse steel wire at the top of the support platform. There is a threaded hole on the top of the device. In this way, the connection with the crossbeam of the tensile testing machine is ensured. The bottom of the longitudinal steel wire is straightened until the weld fails, and this failure load will be reported.
ASTM A1064 test standard covers steel wire and welded wire reinforcement produced from hot-rolled rod to be used for the reinforcement of concrete. The steel wire is cold-worked, drawn or rolled, plain (non-deformed, as-drawn or galvanized), or deformed. Welded wire reinforcement is made from plain or deformed wire, or a combination of plain and deformed wire. It specifies four mandatory tests for plain/deformed carbon-steel wire and welded wire reinforcement (WWR) for concrete: Tension Test, Bend Test, Reduction of Area Test, and Weld Shear Strength Test.
ISO 15630-2 Shear test machine and fixture for Welded steel fabric and lattice girders Steel are determined in tensile tests, flexure, node shear tests, high cycle fatigue tests.
Node shear test The welded joints (nodes) of reinforcing welded fabric and lattice girders are tested for shearing. This involves removing specimens from welded fabrics and lattice girders and placing them in special close-fitting specimen grips. Specimen grips used for this type of test must be accurately matched to the diameter and position of the ribbed wires, so that they do not influence the shearing forces.
Require More Customized Solutions?