Home >> Products >> Test Fixtures >> Tensile >> Self tightening Eccentric Roller Grip for Tensile Test
Self tightening Eccentric Roller Grip for Tensile Test

Self tightening Eccentric Roller Grip for Tensile Test

ASTM D412, ISO 37, ISO 527

An eccentric roller grip is a self‑tightening tensile clamping device that uses an off‑center (eccentric) cam roller to generate increasing clamping force as tensile load rises. It is widely used for soft, thin, high‑elongation materials that tend to slip in standard vise grips. Suitable for test standard ASTM D412, ISO 37, ISO 527. 


1, Key components: 

Eccentric cam roller: Off‑center shaft, serrated/pyramid/grooved surface for friction;

Grip body: Aluminum/stainless steel housing with lever‑operated opening;

Spring‑loaded mechanism: Pre‑loads roller for initial clamping.

General introduction

An eccentric roller grip is a self‑tightening tensile clamping device that uses an off‑center (eccentric) cam roller to generate increasing clamping force as tensile load rises. It is widely used for soft, thin, high‑elongation materials that tend to slip in standard vise grips. Suitable for test standard ASTM D412, ISO 37, ISO 527. 


Core Structure & Working Principle:

1), Key components: 

Eccentric cam roller: Off‑center shaft, serrated/pyramid/grooved surface for friction;

Grip body: Aluminum/stainless steel housing with lever‑operated opening;

Spring‑loaded mechanism: Pre‑loads roller for initial clamping.

Self tightening Eccentric Roller Grip for Tensile TestSelf tightening Eccentric Roller Grip for Tensile Test

2), Working Principle

Loading: Open grip via lever; insert flat specimen between roller and backstop.

Pre‑clamping: Spring pressure holds specimen lightly before load application.

Self‑tightening: As tensile load increases, the eccentric roller rotates, wedging tighter against the specimen—clamping force rises with test load.

Anti‑slip: Prevents slippage even as specimen thins during elongation.

Key Features

  • Test Specimen Requirements
  • Applications
  • Advantages Over Standard Vise Grips
  • Test Standards Recommending Eccentric Roller Grips

Shape: Flat sheets, dumbbell (dogbone) specimens, thin films

Thickness: Typically ≤7 mm; best for 0.1–3 mm

Width: Matches grip width (25–100 mm)

Not suitable: Small specimens (gauge length <10 mm), rigid metals, thick rigid plastics

Rubber & elastomers: Tires, seals, gaskets, O‑rings, flexible tubing

Plastics: Thin films, flexible sheets, packaging materials

Textiles & nonwovens: Fabrics, belts, webbings (low‑load)

Adhesives & coatings: Thin bonded layers

Wire & cable: Insulation, thin conductors

Self‑tightening: No slippage during high elongation

Fast loading: Single lever operation; high throughput

Gentle clamping: Reduces specimen damage at grip faces

Consistent results: Uniform clamping force across specimen width

Alignment: Upper grip often balanced to minimize non‑axial forces

StandardMaterialPurpose
ASTM D412Vulcanized rubber, thermoplastic elastomersTensile properties, elongation, tear resistance
ASTM D624RubberTear strength testing
ASTM D882Thin plastic filmsTensile properties of thin sheets
ISO 283Rubber, elastomersTensile stress‑strain testing
ISO 527‑2Plastics (thin films/sheets)Tensile testing of flexible polymers
GB/T 528Chinese rubber standardTensile properties (equivalent to ASTM D412)


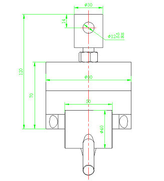
Main specification:

Scope of delivery: 1 pair of grips  

Material: Steel with Pyramid (serrated) face, 40 mm Diameter

Tensile force: 2 kN/5KN/10KN

Max sample width: 50 mm, max sample thickness: 0 - 7 mm

Connection: 30mm diameter, pin M12. 

Weight: 2.5 kg each grip 


Standard

ASTM D412 Tensile Strength of Rubber and Elastomers

ASTM D412 test methods cover procedures used to evaluate the tensile (tension) properties of vulcanized thermoset rubbers and thermoplastic elastomers. These methods are not applicable to ebonite and similar hard, low elongation materials. 

The methods appear as follows:

Test Method A—Dumbbell and Straight Section Specimens

Test Method B—Cut Ring Specimens

ISO 37 Tensile Test on Rubber, vulcanized or thermoplastic

ISO 37 and ASTM D412 are both widely recognized tensile test methods designed to evaluate the stress-strain characteristics of various rubber materials, including natural rubber, synthetic rubber, silicone rubber, and thermoplastic elastomers (TPEs). While both standards aim to determine the tensile properties of rubber and elastomers, they differ in their specific methodologies and applications.

ASTM D882 Tensile test of Thin Plastic Sheeting

ASTM D882: Standard Test Method for Tensile Properties of Thin Plastic Sheeting


ASTM D882 test methods is used to measure tensile properties including ultimate tensile strength, yield strength, elongation, tensile energy to break and tensile modulus of elasticity of thin plastic sheeting and films. The samples are cut in strips that minimally have to be eight times longer than wide. No dumbbell shape is cut for materials of that thickness. Cut samples need to be free of nicks and other cutting defects since they will have an important impact on the test results variation. The samples are tested in specific conditions of pre-treatment, sample orientation, temperature, humidity, and rate of pulling. ASTM D882 can be used for testing materials thinner than 1mm in thickness. 


ISO 527-1, ISO 527-2 Tensile Test of Plastics Composites & plastics

ISO 527-1 Plastics — Determination of tensile properties Part 1: General principles

ISO 527-2 Plastics -- tensile properties -- Part 2: moulding and extrusion 


ISO 527-1 covers the test procedures for determining tensile properties of plastics and plastic composites. Tensile properties of plastics that are determined through the practices of ISO 527-1 include tensile strength, tensile modulus and other properties related to stress strain characteristics of plastic materials. 

ISO 527-2 specifies the test conditions for determining the tensile properties of moulding and extrusion plastics, based upon the general principles given in ISO 527-1. The methods described in ISO 527-2 are selectively suitable for use with the following range of materials: rigid and semi-rigid thermoplastics moulding, extrusion and cast materials, including compounds filled and reinforced by, for example, short fibres, small rods, plates or granules but excluding textile fibres (see ISO 527-4 and ISO 527-5).

Require More Customized Solutions?

We offer customization to meet your specific needs. Our expert team will collaborate with you to develop the perfect product for you
Customize Now

Beijing United Test Co., Ltd.