Information on the most widely used ASTM standards within the materials testing industry
Model: JWJ-10, ISO 7801, GOST 1579
JWJ series metallic materials wire reverse bend testing machine manly used to measure metal wire material, like steel wire, steel bar, steel wire rope, steel strand, nude electrical wire, copper alloy wire etc., rotate the provision radius jaws ±90 degree repeat the reverse bending test; standard machine for 3-10mm (15mm) diameter wire samples, add suitable device, can do 0.3 to 3mm wire.
Also can be used to do sheet plate repeating bending test.
Conform with standard ISO 7801, Metallic materials -- Wire -- Reverse bend test.
GOST 1579: Wire. Methods of testing for bending
General Introduction
JWJ series metallic materials wire reverse bend testing machine manly used to measure metal wire material, like steel wire, steel bar, steel wire rope, steel strand, nude electrical wire, copper alloy wire etc., rotate the provision radius jaws ±90 degree repeat the reverse bending test; standard machine for 3-10mm (15mm) diameter wire samples, add suitable device, can do 0.3 to 3mm wire.
Also can be used to do sheet plate repeating bending test.
Conform with standard ISO 7801, Metallic materials -- Wire -- Reverse bend test.
GOST 1579: Wire. Methods of testing for bending
Other name: metal wire reverse bend test machine, steel reverse bend testing equipment.
Key Features
The metal repeated bending test involves fixing one end of the specimen while repeatedly bending the other end around a prescribed radius in both forward and reverse directions until the specimen breaks or reaches the specified number of bends. This is used to assess the material's plasticity, toughness, and surface quality.
During bending, the outer layer of the specimen experiences tensile stress while the inner layer experiences compressive stress. Repeated bending can cause fatigue and cumulative plastic damage to the material.
The better the material's plasticity and the higher its toughness, the more repeated bending cycles it can withstand and the less likely it is to break.

ISO 7801: Metallic materials -- Wire -- Reverse bend test.
GOST 1579: Wire. Methods of testing for bending
Steel: steel wire, steel rod, steel rebar;
Copper: copper wire, copper rod, copper alloy
Aluminum: Aluminum wire, aluminum rod, aluminum alloy;
Other metal: Rod, glass steel, alloy steel etc.
Equipment and Device:
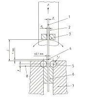
1, Metal Wire Repeated Bending Testing Machine: The repeated bending testing machine should be made of metal and firmly fixed on the base. The repeated bending testing machine should have grooves for securing the jaws, along with screws to tighten the jaws. The handle on the repeated bending testing machine should be able to swing freely 90° to the left and right.
2. Cylindrical Support Rollers and Clamps: The cylindrical support rollers and clamps should have sufficient hardness to ensure their rigidity and wear resistance. The radius of the cylindrical support rollers should meet the requirements of the relevant product standards.
3. Bending Arm and Lever: Position the bending arm vertically and insert the sample through the lever hole, securing the lower end of the sample with a clamp, so that the sample is perpendicular to the axis of the cylindrical support roller.
Sample Preparation: Cut samples that meet the size requirements, check the surface quality, and ensure there are no obvious defects.
Equipment Setup:
Select a bending mandrel with an appropriate radius according to the material standard and install it on the testing machine.
Adjust the bending angle (usually bending 90° or 180° in both forward and reverse directions, as specified by the standard).
Set the bending speed (generally within 30 cycles per minute to avoid overheating or effects due to inertia).
Clamping the Sample: Fix one end of the sample in the chuck and ensure the other end contacts the mandrel, making sure the sample axis is perpendicular to the mandrel axis.
Conducting the Test: Start the testing machine, bend the sample forward around the mandrel to the specified angle, then bend it in reverse to the specified angle, repeating this process and recording the number of bends.
Test Termination: Stop the test when the sample breaks (crack runs through the entire cross-section) or when the specified number of bends according to the standard is reached.
Bend Count: Record the number of repeated bends at the time of sample fracture as an important indicator of material plasticity and toughness. The higher the number, the better the material performance.
Fracture Location: Observe whether the fracture occurs near the chuck (if caused by overly tight clamping, the result may be invalid) or in the bend deformation zone (normal fracture).
Surface Defects: If the sample does not fracture but surface cracks appear (not through the cross-section), record the crack location and length to determine whether it meets standard requirements.
Pass/Fail Determination: According to product standards (such as industry standards for rebar or wire), determine whether the sample passes based on the minimum required number of bends. For example, if a standard requires wire to withstand ≥10 repeated bends without breaking, reaching this count is considered passing.
| Wire Nominal diameter or thickness d (a) | Jaws base radius r | Distance h | Guide sleeve hole diameter d (g) |
| 0.3≤d (a) ≤0.5 | 1.25±0.05 | 15 | 2.0 |
| 0.5<d (a) ≤0.7 | 1.75±0.05 | 15 | 2.0 |
| 0.7<d (a) ≤1.0 | 2.5±0.1 | 15 | 2.0 |
| 1.0<d (a) ≤1.5 | 3.75±0.1 | 20 | 2.0 |
| 1.5<d (a) ≤2.0 | 5.0±0.1 | 20 | 2.0 & 2.5 |
| 2.0<d (a) ≤3.0 | 7.5±0.1 | 25 | 2.5 & 3.5 |
| 3.0<d (a) ≤4.0 | 10±0.1 | 35 | 3.5 & 4.5 |
| 4.0<d (a) ≤6.0 | 15±0.1 | 50 | 4.5 & 7.0 |
| 6.0<d (a) ≤8.0 | 20±0.1 | 75 | 7.0 & 9.0 |
| 8.0<d (a) ≤10.0 | 25±0.1 | 100 | 9.0 & 11.0 |
Main Technical Specification
| Model | JWJ-10 | JWJ-15 |
| Bending diameter | 3-10mm (0.3-3mm, need extra jaws) | 3-15mm (0.3-3mm, need extra jaws) |
| Sample length | 300mm | |
| Bending degree | ±90º (Both directions) | |
| Bending speed | Less than 60 times/min. | |
| Torsion angle Min. reading | 0.1º | |
| Power | 1.1kw, 380V, 50HZ, 3 phase | 3kw, 380V, 50HZ, 3 phase |
| Dimensions | 700*460*1150mm | |
| Weight | 260Kg | 280Kg |
Main Accessories
| Mainframe | 1 set |
| Moving guide rail | 1 set |
| Deceleration motor | 1 set |
| Display system | 1 set |
| Jaws for less 3mm(Jaw base radius 1.25, 1.75, 2.5, 3.75, 5.0, 7.5) | 1 set |
| Jaws 3-10mm (Jaw base radius 10, 15, 20, 25) | 1 set |
| Documents (Manual, packing list, certificate) | |
Standard
ISO 7801: Metallic materials -- Wire -- Reverse bend test
Specifies the method for determining the ability of wire of diameter or thickness 0,3 to 10 mm inclusive to undergo plastic deformation during reverse bending. The range of diameters of thicknesses for which ISO 7801 is applicable may be more exactly specified in the relevant product standard. The test consists of repeated bending, through 90 in opposite directions, of a test piece held at one end, each bend being over a cylindrical support of a specified radius.
Require More Customized Solutions?