Home >> Products >> Test Fixtures >> Shear >> Polymer Shear loading Compression test Fixture
Polymer Shear loading Compression test Fixture

Polymer Shear loading Compression test Fixture

ASTM D3410

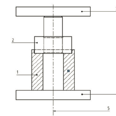
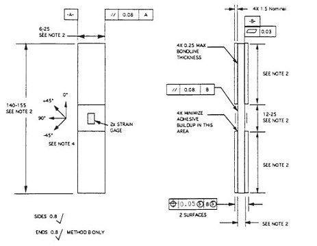
UnitedTest ASTM D3410 Polymer Shear loading Compression test Fixture used to determine in-plane compressive properties by applying the compressive force into the specimen at wedge grip interfaces. ASTM D3410 is most appropriate for composites materials reinforced by high-modulus fibers including tape and textile, but other materials may be tested. The test fixture is designed to provide a compressive load to the unsupported center 12 to 25 mm (0.5 to 1 inch) gauge length of the specimen. 

Compressive Properties of Polymer Matrix Composite Materials by Shear Loading ASTM D3410


General introduction

UnitedTest ASTM D3410 Polymer Shear loading Compression test Fixture used to determine in-plane compressive properties by applying the compressive force into the specimen at wedge grip interfaces. ASTM D3410 is most appropriate for composites materials reinforced by high-modulus fibers including tape and textile, but other materials may be tested. The test fixture is designed to provide a compressive load to the unsupported center 12 to 25 mm (0.5 to 1 inch) gauge length of the specimen. 

Compressive Properties of Polymer Matrix Composite Materials by Shear Loading ASTM D3410


Test Procedure:

A fixture is used to align the specimen in the wedge grips and the grips are therefore tightened. The wedges are inserted into the compression fixture, and if an extensometer is being used to measure strain, it is attached to the specimen. The specimen is compressed to failure.


Specimen size:

Specimens should have a uniform rectangular cross section, 140 mm to155 mm (5.5 in to 6 in) long. The recommended width can be 12 mm (0.5 in) or 25 mm (1 in). A variety of thicknesses can be accommodated. Tabs can be bonded to the ends of the thin specimens to ensure failure in the unsupported gauge length.


Compressive properties tested:

Ultimate compressive strength

Ultimate compressive strain

Compressive chord modulus of elasticity

Compressive Poisson’s Ratio

Three-part failure identification codes

Polymer Shear loading Compression test FixturePolymer Shear loading Compression test Fixture



Require More Customized Solutions?

We offer customization to meet your specific needs. Our expert team will collaborate with you to develop the perfect product for you
Customize Now

Beijing United Test Co., Ltd.