Home >> Products >> Test Fixtures >> Shear >> ASTM F1044 , ASTM F1160 shear test fixture
ASTM F1044 shear test fixture

ASTM F1044 , ASTM F1160 shear test fixture

ASTM F1044 static, ASTM F1160 fatigue

Coating static shear strength testing refers to ASTM F1044 standard, evaluating the shear force of continuous calcium phosphate coating or metal coating on the substrate, or the bonding strength between coatings parallel to the horizontal plane after shearing. According to the coating type, the shear strength of the coating is set with reference to similar products and standards. As specified in FDA guidance documents, the static shear strength of the metal coating-substrate interface should not be less than 20 MPa.


The shear fatigue test of the coating can refer to the ASTM F1160 standard. Its purpose is to determine the fatigue resistance of the coating under 10^7 cycles of normal stress, as well as the bonding strength and durability of the coating, with the test device shown in Figure 2. Manufacturers should determine the shear fatigue strength of the coating based on the type of coating, referring to similar products and standards. For example, the ISO 13179-1 standard specifies that the fatigue shear strength of plasma-sprayed pure titanium coatings under 10^7 cycles of normal stress is 10 MPa.

General introduction

Coating static shear strength testing refers to ASTM F1044 standard, evaluating the shear force of continuous calcium phosphate coating or metal coating on the substrate, or the bonding strength between coatings parallel to the horizontal plane after shearing. According to the coating type, the shear strength of the coating is set with reference to similar products and standards. As specified in FDA guidance documents, the static shear strength of the metal coating-substrate interface should not be less than 20 MPa.


The shear fatigue test of the coating can refer to the ASTM F1160 standard. Its purpose is to determine the fatigue resistance of the coating under 10^7 cycles of normal stress, as well as the bonding strength and durability of the coating, with the test device shown in Figure 2. Manufacturers should determine the shear fatigue strength of the coating based on the type of coating, referring to similar products and standards. For example, the ISO 13179-1 standard specifies that the fatigue shear strength of plasma-sprayed pure titanium coatings under 10^7 cycles of normal stress is 10 MPa. 


ASTM F1044 is the standard for ambient-temperature shear testing of calcium phosphate/metallic coatings on dense metal substrates, core to evaluating coating-substrate adhesion strength and coating internal cohesion strength under shear stress parallel to the surface. It applies to medical implant coating performance comparison (quality control/design) and notes test results are affected by processing variables (substrate preparation, coating techniques, post-treatment) and cannot be directly used for environmental stress resistance calculations. 


Core Test Principle:

Subject coated substrate specimen assemblies to axial shear load (no eccentric/bending stress) via a tensile testing machine, apply load at a constant rate until specimen separation, record the maximum failure load, and calculate shear strength by dividing the failure load by the coated substrate’s cross-sectional area (S=F/A).


Two Main Test Methods:

Aligned Interface Method: For both calcium phosphate and metallic coatings; test assembly of one coated + one uncoated metal piece (bonded by adhesive/thermomechanical means), apply shear load parallel to the coating plane.

Lap Shear Method: Metallic coatings only (especially porous ones); substrate plates with metallic coating bonded by adhesive/bone cement/sintering, subject porous coated area to single shear loading.

ASTM F1044 shear test fixtureASTM F1044 shear test fixture
Aligned Interface fixture for both calcium phosphate & metallic coatingsLap Shear fixture specifically for metallic coatings



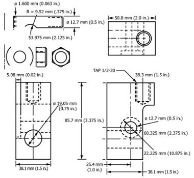
Main specification:

High strength steel with a finish;

Mounting: M16mm, M24mm

Capacity: 5KN ~ 20KN

Weight:  4kg

Dimensions: 50*50*150mm

Standard: in compliance with ASTM F1044 and F1160

Standard

ASTM F2068 Fatigue test system of Femoral Prostheses Implants, Hip Implants Testing

ASTM F2068: Standard Specification for Femoral Prostheses – Metallic Implants


ASTM F2068 covers metallic stemmed femoral prostheses used to replace the natural hip joint by means of hemi-arthroplasty or total hip surgical procedures. Prostheses for hemi-arthroplasty are intended to articulate with the natural acetabulum of the patient. Prostheses for total hip replacement are intended to articulate with prosthetic acetabular cups. Prostheses may have integral femoral heads or cones designed to accept modular heads. 

The mechanical strength (fatigue test ISO 7206-4, ISO 7206-6, shear strength test ASTM F1044, tensile test ASTM F1147, abrasion resistance test ASTM F1978), corrosion resistance, and biocompatibility of the head portions of one-piece integral implants are covered by this specification.

Require More Customized Solutions?

We offer customization to meet your specific needs. Our expert team will collaborate with you to develop the perfect product for you
Customize Now

Beijing United Test Co., Ltd.