Home >> Products >> Test Fixtures >> Shear >> ASTM B565 Double Shear Test Fixture - Rivets, Rods, Wire
ASTM B565 Double Shear Test Fixture - Rivets, Rods, Wire

ASTM B565 Double Shear Test Fixture - Rivets, Rods, Wire

ASTM B565 Aluminum alloy rivets shear test

ASTM B565 shear test fixture is a specialized double-shear device for aluminum/aluminum-alloy rivets (round solid shanks) and cold-heading wire/rod, designed to apply controlled double-shear loading while ensuring alignment and minimizing fixture distortion. UnitedTest Shear fixture ensures that the rivets are precisely aligned and supported during the shear test, preventing any accidental bending or deformation that could affect the results. Its design typically includes a shear block with accurately sized holes to hold the rivets, as well as a sturdy loading mechanism to apply the shear force.

General introduction

ASTM B565 shear test fixture is a specialized double-shear device for aluminum/aluminum-alloy rivets (round solid shanks) and cold-heading wire/rod, designed to apply controlled double-shear loading while ensuring alignment and minimizing fixture distortion. UnitedTest Shear fixture ensures that the rivets are precisely aligned and supported during the shear test, preventing any accidental bending or deformation that could affect the results. Its design typically includes a shear block with accurately sized holes to hold the rivets, as well as a sturdy loading mechanism to apply the shear force.

ASTM B565 Double Shear Test Fixture - Rivets, Rods, Wire
Aluminum rods and rivets


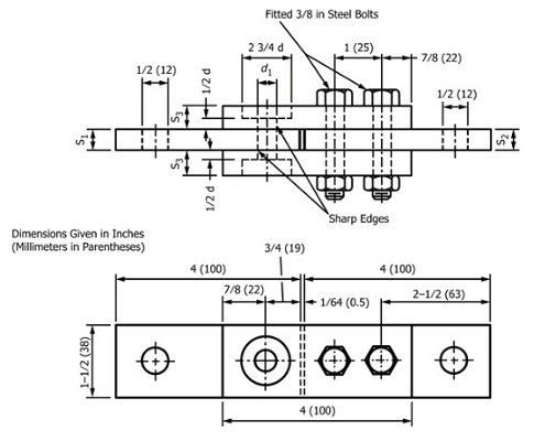
The fixture uses a tongue-and-clevis configuration (Fig. 1 in ASTM B565) to create two parallel shear planes: 

1, Clevises (Fixed Lower Section): Two parallel blocks with precision-drilled holes to support the specimen ends.

2, Tongue (Movable Upper Section): A central block that slides between the clevises, applying shear force to the specimen’s mid-section.

3, Fasteners: Fitted, hardened steel bolts to clamp clevises/tongue and prevent distortion under load.


Material & Hardness Requirements

Base Material: Hardened steel (≥52 HRC) to resist wear and deformation during high-load testing.

Shear Edges: Radius ≤0.0005 in. (0.013 mm) to avoid stress concentration in the specimen.

Mating Surfaces: Polished to Ra ≤16 µin. (0.406 µm) to reduce friction and ensure smooth sliding.


ASTM B565 Double Shear Test Fixture - Rivets, Rods, WireASTM B565 Double Shear Test Fixture - Rivets, Rods, Wire


Key Fixture-Related Tolerances & Requirements in ASTM B565

Hole Clearance: 0.002-0.005 in. (0.05-0.13 mm) over nominal specimen diameter.

Gage Length (Double Shear): Typically 1D (one specimen diameter), defined by the stepped anvil thickness.

Protrusion (Single Shear): 1D to 1.5D.

Hardness: Fixture components must be harder than the hardest specimen tested to avoid indentation or deformation.

Bending Limit: The standard specifies that the test is invalid if the specimen bends more than a certain angle (e.g., 5°) prior to shear, as this indicates improper fixture alignment or excessive clearance.


Functional Principle: 

The fixture is mounted on an ASTM E4-compliant tensile testing machine. (recommend UnitedTest WDW series)

The specimen is inserted through aligned holes in the clevises and tongue.

As the machine pulls the tongue upward, shear force acts across two parallel planes in the specimen’s mid-section.

Failure occurs when the specimen fractures across both planes; the maximum load is used to calculate shear strength (τ = F/(2A), F = peak load, A = cross-sectional area of one shear plane).

Main specification:

1. Working hole diameter: 4, 6, 10 mm (customized)

2. Connection thread: Internal thread M16

3. Net weight: 5.3 kg for the complete set

Standard

ASTM B565 Shear Testing Aluminum Rod, Rivets, and Wire

ASTM B565 Standard Test Method for Shear Testing of Aluminum and Aluminum-Alloy Rivets and Cold-Heading Wire and Rods.


Primary Purpose: This standard defines the procedure for determining the shear strength of rivets and similar fasteners made from aluminum and aluminum alloys, as well as the wire and rod used to make them. Shear strength is a critical mechanical property for fasteners, indicating their resistance to forces applied perpendicular to their axis, which is a common loading condition in joints.

Require More Customized Solutions?

We offer customization to meet your specific needs. Our expert team will collaborate with you to develop the perfect product for you
Customize Now

Beijing United Test Co., Ltd.