Information on the most widely used ASTM standards within the materials testing industry
ISO 7801: Metallic materials -- Wire -- Reverse bend test
Specifies the method for determining the ability of wire of diameter or thickness 0,3 to 10 mm inclusive to undergo plastic deformation during reverse bending. The range of diameters of thicknesses for which ISO 7801 is applicable may be more exactly specified in the relevant product standard. The test consists of repeated bending, through 90 in opposite directions, of a test piece held at one end, each bend being over a cylindrical support of a specified radius.
Metal wire material, like steel wire, steel bar, steel wire rope, steel strand, nude electrical wire, copper alloy wire etc., rotate the provision radius jaws ±90 degree repeat the reverse bending test; standard machine for 3-10mm (15mm) diameter wire samples, add suitable device, can do 0.3 to 3mm wire. Also can be used to do sheet plate repeating bending test.
ISO 7801 Reverse bend test principle:
The reverse bend test consists of repeatedly bending a test piece, clamped at one end, through 90° in opposite directions. Each bend is performed over a cylindrical support of a specified radius. One complete bend cycle involves bending the free end 90° in one direction, returning it to the vertical start position (first cycle), and then bending it 90° in the opposite direction (second cycle). The number of such reverse bends (N_b) sustained before failure is the test result.

Test Method
ISO 7801 specifies one standard reverse bend test method (no alternative methods). The test involves repeated 90° bending in opposite directions around a cylindrical mandrel of specified radius, with one end of the wire fixed and the other free to move.
Motion: Alternating 90° bends around a pivot axis.
Measurement: The count of complete bend cycles until failure.
Application of Force: A tensile force (F) may be applied along the wire's axis to maintain continuous contact between the test piece and the cylindrical supports during testing.
Test Equipment required for ISO 7801:
| Metal wire Reverse bend testing machine | Fixed clamping jaw for the wire specimen. Rotating bending arm with a cylindrical mandrel. Mechanism to apply alternating 90° bends (left/right). Automatic cycle counter to record bending repetitions. Tensioning device (optional, for certain wire types). |
| Cylindrical supports, gripping, bending arm | The hardness of cylindrical supports and the gripping faces shall be higher than that of the test piece to provide resistance to abrasion. The radius of cylindrical supports according the standard details requirement.
|
| Measuring tools | Vernier caliper/micrometer to verify wire diameter. Mandrel radius gauge. Visual inspection tools, magnifier for crack detection. |
Test Sample / Test Piece
| Material | Metallic wire. like steel wire, steel bar, steel wire rope, steel strand, nude electrical wire, copper alloy wire etc., |
| Forms | Includes round wire, shaped wire (non-round cross-section), and clad wire (two or more different materials). |
| Dimension Range | Diameter (for round/clad wire) or characteristic dimension (h, for shaped wire) from 0.3 mm to 10 mm. The product standard defines the exact range. Length: Typically 150–300 mm (sufficient for clamping and bending). |
| Condition | The wire used as the test piece should be as straight as possible. Slight curvature in the intended plane of bend is acceptable. |
| Straightening | If necessary, it shall be done by hand. If hand-straightening is impossible, light hammering on a soft surface (wood, plastic, copper) is permitted. The surface must not be damaged, and the piece must not be twisted. Wire with a sudden sharp curvature must not be used. |
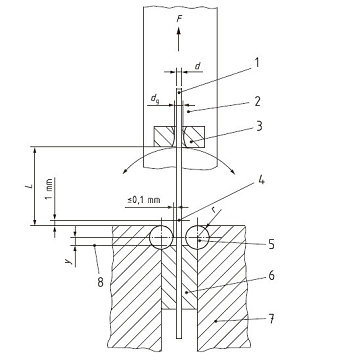
Testing parameters in reverse bend test for round wires:
| Nominal diameter of wires d | Radius of cylindrical support and tolerance r | Distance L | Diameter of guide hole dg | Distance and tolerance y |
| 0,3 ≤ d < 0,5 | 1,25 ± 0,05 | 15 | 2,0 | 1,10 ± 0,05 |
| 0,5 ≤ d < 0,7 | 1,75 ± 0,05 | 15 | 2,0 | 1,50 ± 0,05 |
| 0,7 ≤ d < 1,0 | 2,5 ± 0,1 | 15 | 2,0 | 1,50 ± 0,05 |
| 1,0 ≤ d < 1,5 | 3,75 ± 0,1 | 20 | 2,0 | 3,0 ± 0,1 |
| 1,5 ≤ d < 2,0 | 5,0 ± 0,1 | 20 | 2,0 < dg ≤ 2,5 | 3,0 ± 0,1 |
| 2,0 ≤ d < 3,0 | 7,5 ± 0,1 | 25 | 2,5 < dg ≤ 3,5 | 3,0 ± 0,1 |
| 3,0 ≤ d < 4,0 | 10,0 ± 0,1 | 35 | 3,5 < dg ≤ 4,5 | 3,0 ± 0,1 |
| 4,0 ≤ d < 6,0 | 15,0 ± 0,1 | 50 | 4,5 < dg ≤ 7,0 | 3,0 ± 0,1 |
| 6,0 ≤ d < 8,0 | 20,0 ± 0,1 | 75 | 7,0 < dg ≤ 9,0 | 3,0 ± 0,1 |
| 8,0 ≤ d ≤ 10,0 | 25,0 ± 0,1 | 100 | 9,0 < dg ≤ 11,0 | 3,0 ± 0,1 |
| Unit: mm | ||||
Details test procedure of the ISO 7801 test:
1, Preparation:
Measure and record wire diameter.
Select the correct mandrel radius per ISO 7801 test prameter requires for the Radius of cylindrical supports,Distance from support plane to guide bottom (L) etc., (like above table) .
Mount the specimen: Clamp one end firmly; ensure the free length is aligned with the bending axis.
2, Setup: Insert the vertical test piece through the guide hole. Clamp its lower end between the gripping faces so it is perpendicular to the axes of the two cylindrical supports. For shaped wires, gripping method and bending direction should follow the product standard.
3, Bending Operation: Bend the test piece at a uniform rate (≤ 1 bend per second) through 90° alternately in opposite directions. Do not interrupt between bends. Minimize lateral deflection.
4, Applying Tensile Force: To ensure continuous contact with the supports, a tensile force (F) no greater than 2% of the force value of the nominal tensile strength may be applied, unless otherwise specified. Annex B shows example devices (e.g., using a spring or weights).
5, Test Endpoint: Continue the test until either:
1), The number of bends specified in the relevant product standard is completed, or
2), Complete fracture of the test piece occurs.
6, Result Recording: The bend during which fracture occurs is not counted in N_b.
ISO 7801 test is used to assess the ductility and resistance to surface cracking of wire subjected to repeated bending, which is critical for quality control in manufacturing and for predicting performance in applications like springs, cables, and fasteners. it is important because it evaluates a material's ability to withstand repeated plastic deformation (bending), which is a key performance indicator for wires used in dynamic or forming applications.
Related standard:
| GOST 1579-1993: | Wire. Bend test method. Russia standard. |
| AS 2505.4: | Metallic materials, Method 4: Wire - Reverse bend test |
| TIS 2175: | Reverse bend test for metallic wire |
Related products and device
Related Standard
ISO 7800 Metallic materials -- Wire -- Simple torsion test
ISO 7800:2003 specifies a method for determining the ability of metallic wire of diameter or characteristic dimension 0,1 mm to 10 mm inclusive to undergo plastic deformation during simple torsion in one direction.
A test piece of wire is twisted a specified number of turns through 360° around its own axis in one direction, and then a specified number of turns through 360° in the opposite direction. The wire specimen be twisted about the longitudinal axis until it fails. Upon failure, the number of turns should be recorded.
Simple torsion test determining the ability of metallic wire of diameter or characteristic dimension 0,1 mm to 10 mm inclusive to undergo plastic deformation during simple torsion in one direction.
Standard: ISO 7802: Metallic materials -- Wire -- Wrapping test.
ISO 7802 specifies the method for determining the ability of wire of diameter or thickness 0,1 to 10 mm inclusive to undergo plastic deformation during wrapping. The test consists of winding a wire to a specified number of turns around a mandrel of the diameter specified in the relevant standard to form a closely wrapped helix. It may also include a specified sequence of windings and unwindings, or even rewindings.
ASTM A938 : Standard Test Method for Torsion Testing of Wire
ASTM A938 test methods covers torsion testing of wire. It provides knowledge of the ductility of a wire when under torsion loading. A torsional test machine with proper gripping solutions is necessary for the test practices of ASTM A938. It is a testing standard that describes the torsion (or twist) testing procedures of metallic wire. The results of torsion tests can be used to assess wire ductility under torsional loading.
The torsion testing machine should have chuck jaws that will remain coaxial during the test. One of the chucks should be easily displaceable in the direction of the wire axis. The wire should be twisted only along the test length, and not at the point of clamping. We recommend UnitedTest metal wire reverse torsion testing machine.
ISO 9649 Metallic materials - Wire - Reverse torsion test
This International Standard specifies a method for determining the ability of metallic wire of diameter dimension from 0,3 mm to 10,0 mm inclusive to undergo plastic deformation during reverse torsion. This test is used to detect surface defects, as well as to assess ductility.
A test piece of wire is twisted a specified number of turns through 360° around its own axis in one direction, and then a specified number of turns through 360° in the opposite direction.
FAQs: ISO 7801 Reverse Bend Test for Metallic Wire
Q1: What is the ISO 7801 Reverse Bend Test, and what does it measure?
A: The ISO 7801 test is a standardized method for determining the ability of metallic wire to undergo repeated plastic deformation. It measures the wire's ductility and resistance to cracking under alternating bending stresses. The primary result is the number of reverse bend cycles (N_b) the wire can withstand before complete fracture.
Q2: Why is this test important?
A: This test is critically important for quality control and performance prediction. While the document itself doesn't state the importance, based on the test principle:
Simulates Service Conditions: It directly replicates the kind of repeated bending stress that wires experience in real-world applications like springs, cables, control wires, fasteners, and wire ropes.
Reveals Material Flaws: It is a sensitive indicator of surface defects, inclusions, or improper heat treatment that might not be apparent in a simple tensile test. A low cycle count to failure signals potential brittleness or quality issues.
Ensures Formability: It verifies that the wire has sufficient ductility to be formed (e.g., coiled, bent) during manufacturing without cracking.
Q3: What types of wire can be tested according to this standard?
A: The standard covers three main types:
Round Wire: Standard circular cross-section.
Shaped Wire: Non-round cross-sections (e.g., Z-type, H-type, T-type as shown in the document).
Clad Wire: Wire made of two or more different materials, where the outer diameter is considered the nominal diameter.
Q4: What is the purpose of applying a tensile force (F) during the test?
A: A tensile force (not exceeding 2% of the force value of the nominal tensile strength) may be applied to ensure continuous contact between the test piece and the cylindrical supports throughout the bending cycle. This prevents the wire from lifting off the supports, which would invalidate the test geometry. Annex B provides examples of devices (using a spring or weights) to apply this force.
Q5: My test result failed the product standard requirement. What could be the causes?
A: While the document doesn't diagnose failures, based on the test's purpose, a low N_bvalue could indicate:
Material Issues: High hardness, low ductility, incorrect chemical composition, or poor heat treatment.
Surface Defects: Decarburization, seams, scratches, or inclusions introduced during drawing or handling.
Testing Error: Incorrect support radius (r) selected, misaligned equipment, damage to the sample during straightening, or not applying the necessary tensile force leading to loss of contact.
Q6: What is the difference between a simple bend test and the ISO 7801 reverse bend test?
A: A simple bend test only checks one-time bending performance, while ISO 7801 applies repeated alternating 90° bending, which better reflects the wire’s resistance to fatigue and repeated deformation in real-world use.
Q7: Why do many product standards reference ISO 7801?
A: Because it is a globally harmonized test method with stable, repeatable results. It allows quality comparison between different manufacturers and countries, facilitating international trade and technical communication.
Require More Customized Solutions?