Home >> Application >> By Standard >> ASTM >> ASTM A-C >> ASTM B565 Shear Testing Aluminum Rod, Rivets, and Wire

ASTM B565 Shear Testing Aluminum Rod, Rivets, and Wire

Share:

ASTM B565 Standard Test Method for Shear Testing of Aluminum and Aluminum-Alloy Rivets and Cold-Heading Wire and Rods.


Primary Purpose: This standard defines the procedure for determining the shear strength of rivets and similar fasteners made from aluminum and aluminum alloys, as well as the wire and rod used to make them. Shear strength is a critical mechanical property for fasteners, indicating their resistance to forces applied perpendicular to their axis, which is a common loading condition in joints.


ASTM B565 Test Principle:

The core principle is to apply a transverse force to a specimen mounted in a specialized fixture, loading it in single shear or double shear until failure occurs. The maximum load sustained is recorded, and the ultimate shear strength is calculated by dividing this load by the original cross-sectional area of the specimen's shank. The specimen is fractured across two parallel planes, and the maximum shear force at failure is used to calculate shear strength (τ = F/(2A), where F = max load, A = cross-sectional area of one shear plane).


Single Shear: The specimen is sheared across one plane (e.g., a rivet in a lap joint).

Double Shear: The specimen is sheared across two parallel planes simultaneously (e.g., a pin in a clevis joint), which is the more common and preferred method in B565 as it minimizes bending effects.


Test Specimen Information:

Type: Round, solid rivets; short lengths of wire/rod (full cross-section or machined to smaller diameter).

Dimensions: Minimum length = 2×diameter (d); shank length for rivets ≥2d.

Preparation: No nicks/cracks; machined specimens must retain original grain flow orientation.

Quantity: Sufficient specimens to ensure statistical validity (typically 3–5 per lot).


Test Equipment of ASTM B565: 
ComponentSpecifications
Tensile Testing MachineComplies with ASTM E4; load capacity within 10–90% of full scale; accurate force measurement.
Shear Test Device

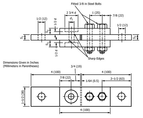
Hardened steel (≥52 HRC); shear edges with radius ≤0.0005 in. (0.013 mm); polished mating surfaces (Ra ≤16 µin.); fitted steel bolts to prevent distortion.

ASTM B565 Shear Testing Aluminum Rod, Rivets, and Wire

Auxiliary ToolsCalibrated load cells, data acquisition systems, specimen alignment fixtures, and hardness testers (for fixture verification).


ASTM B565 Shear Test Application:

This test is critical in industries where the shear performance of aluminum fasteners is paramount:

Aerospace: For rivets and pins in airframe construction.

Transportation: In automotive, rail, and marine applications.

Construction & Civil Engineering: For aluminum structures.

Manufacturing: For quality control of fastener suppliers and incoming material inspection.

Research & Development: For developing new aluminum alloys and heat treatments for fastener applications.


Related Standards

ASTM E4: Practices for force verification of testing machines.

ASTM B769: Shear testing for products >0.250 in. (6.4 mm) diameter.

ASTM B831: Shear testing for products <0.250 in. (6.4 mm) diameter.


Test procedure: 

Specimen Preparation

Cut/ machine specimens to meet length and diameter requirements; inspect for defects.

Fixture Setup

Install the correct shear fixture (double-shear is standard) in the testing machine. Ensure alignment of the moving head with the fixture.

Specimen Insertion

Insert the specimen into the aligned holes of the fixture.

Testing

Start the machine and apply a controlled, constant rate of crosshead movement. 

The standard specifies speed limits to ensure quasi-static loading (typically, the shearing strain rate should not exceed 1 in./in./min).

Data RecordingRecord the maximum load (force) sustained by the specimen during the test.
Examination

Observe and note the mode of failure (clean shear, bending, excessive elongation before shear).

Calculation

Calculate the ultimate shear strength:

Shear Strength (τ) = Maximum Load (P) / Cross-sectional Area (A)

A = πd²/4, where dis the original shank diameter


Related products and device

Electronic Universal Testing Machine

WDW Series Computer Control Electronic Universal Testing Machine made by UNITEDTEST range from 100N to 600KN load capacity with various models like single columns, table type, door frame type etc., is used to perform tension, compression, flexure/bending, shearing, peeling etc., test for metal and nonmetal specimens. Matched with UNITEDTEST design and produced various test fixture, like peel, flexure, puncture, tear, pneumatic grip, belt tension etc., this UTM can be used to almost all materials include but not limited to steel rod, rubber, steel wire, plastic, seat belt, textile, wood, panel etc., mechanical performance inspection.

ASTM B565 Double Shear Test Fixture - Rivets, Rods, Wire

ASTM B565 shear test fixture is a specialized double-shear device for aluminum/aluminum-alloy rivets (round solid shanks) and cold-heading wire/rod, designed to apply controlled double-shear loading while ensuring alignment and minimizing fixture distortion.

< Previous: ASTM B557 Aluminum and Magnesium Alloy Tension Testing

> Next: ASTM B913 Test for Crimped Electrical Connections, Smaller Diameter Stranded and Solid Conductors

Require More Customized Solutions?

We offer customization to meet your specific needs. Our expert team will collaborate with you to develop the perfect product for you
Customize Now

Beijing United Test Co., Ltd.