Information on the most widely used ASTM standards within the materials testing industry
ASTM B557: Standard Test Methods for Tension Testing of Wrought and Cast Aluminum- and Magnesium-Alloy Products
ASTM B557 is specifically tailored for tensile testing of wrought and cast aluminum- and magnesium-alloy products, excluding aluminum foilASTM International. It is derived from the general metallic materials tensile test standard ASTM E8/E8M, with modifications to address the unique characteristics of aluminum and magnesium alloysASTM International.

Test Principle of ASTM B557 Aluminum and Magnesium Alloy Tension Testing:
A standardized test specimen is gripped in a tensile testing machine and subjected to a controlled, increasing axial tensile force until failure. The force applied and the elongation of the specimen are measured simultaneously. This test generates a stress-strain curve that reveals critical mechanical properties including:
Yield strength (using 0.2% offset method for alloys without a distinct yield point): The stress at which the material begins to deform plastically. Calculated by drawing a line parallel to the elastic portion of the stress-strain curve, offset by 0.2% strain.
Ultimate tensile strength (maximum stress before necking)
Elongation (percent increase in gauge length at fracture): The permanent increase in gauge length after fracture, expressed as a percentage of the original gauge length.
Reduction of area (percent decrease in cross-sectional area at fracture)
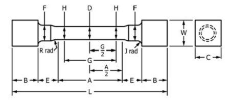
ASTM B557 Test Specimen Information:
| Rectangular/flat specimens | For sheet, plate, and thin-walled products; Machined to specific widths with a reduced section in the middle. | Constant strain rate loading, full stress-strain curve measurement | ![]() |
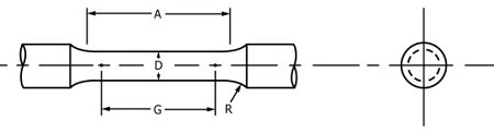
| Round specimen | For castings, thick sections, and general applications; Cylindrical, with a machined reduced section (commonly with a 0.500-inch or 12.5-mm diameter). | Constant strain rate loading, full stress-strain curve measurement | ![]() |
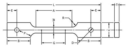
| Pin-loaded specimens | For extrusions and complex shapes, where gripping is difficult. In order to avoid buckling in tests of thin and high-strength materials, it may be necessary to use stiffening plates at the grip ends. | Uses pins through specimen holes, apply load uniformly | ![]() |
| Tubular specimens | For hollow products. | Modified flat or round specimens, preserving wall thickness | ![]() |
Threaded-End Specimens; Shouldered-End Specimens | For specimen with high tensile strength, or difficult to grip in the tensile jaws. | According sample shape, size choose suitable fixtures. | ![]() |
Sample Preparation Requirements: Ends must be parallel and perpendicular to the specimen axis to ensure uniform stress distribution. Gauge length must be precisely marked (scribe lines or punch marks) without inducing surface damage. For castings: Specimens should be machined from sound areas, avoiding porosity or inclusions. For wrought products: Specimens must be oriented according to product rolling/extrusion direction. | |||
Test Equipment and Test Device Requirements:
| Equipment | Specifications |
|---|---|
| Universal Testing Machine | Recommend UnitedTest WDW series UTM. Meet ASTM E4 accuracy requirements (±1% of indicated load within verified range), with sufficient capacity for expected breaking load |
| Gripping Devices | Wedge grips (for flat/round specimens), split barrel grips, or pin-loading fixtures; Must ensure axial alignment with specimen centerline.
|
| Extensometer | Clip-on or non-contacting type with minimum accuracy of ±0.5% for strain measurement over gauge length. |
| Measurement Tools | Micrometers/calipers for specimen dimensions (accuracy: ±0.001 in or ±0.02 mm) |
Detailed Test Procedures of ASTM B557 (Step by step):
1. Pre-Test Preparation:
Specimen selection: Choose appropriate specimen type based on product form and thickness
Dimension measurement: Record cross-sectional dimensions at 3 locations within gauge length; use average for calculations
Gauge length marking: Scribe or punch marks at exact standard length (2, 8, or 1.5 in)
2. Testing Execution
Mount specimen: Insert into testing machine grips, ensuring axial alignment with load application axis
Extensometer installation: Attach to specimen over gauge length for strain measurement
Load application:
For yield strength determination: Use constant crosshead speed (0.05-0.5 in/min) or constant strain rate (0.005-0.05 in/in/min)
After yield: Increase speed to 0.5-2 in/min until fracture
Data recording: Continuously record load vs. elongation throughout the test
Extensometer removal: Remove before necking to prevent damage.
Fracture observation: Note fracture location and appearance (brittle/ductile)
3. Post-Test Analysis
Measure final dimensions: Record fractured specimen's final gauge length and minimum cross-sectional area
Calculate properties:
Yield strength: Stress at 0.2% permanent strain (offset method)
Ultimate tensile strength: Maximum load divided by original cross-sectional area
Elongation: [(Final length - Original length) / Original length] × 100%
Reduction of area: [(Original area - Final area) / Original area] × 100%.
ASTM B557 Test Applications:

Aerospace (aircraft structures, engine components).
Automotive (lightweight body panels, engine parts).
Marine (hull components, fasteners).
Construction (architectural extrusions, window frames).
| Standard | Relationship | Key Connection |
|---|---|---|
| ASTM E8/E8M | Parent standard | General tensile testing of metallic materials; B557 is adapted from E8/E8M for light alloys |
| ASTM E4 | Mandatory reference | Testing machine verification and accuracy requirements |
| ASTM E6 | Terminology reference | Definitions of tension testing terms |
| ASTM B557M | Metric equivalent | Identical test methods using SI units |
| ISO 6892-1 | International counterpart | Similar to ASTM E8/E8M, used globally for metallic materials tensile testing |
| ASTM B265 | Product specification | Titanium and Titanium Alloy Strip, Sheet, and Plate specifications that reference B557 for testing |
| ASTM B91 | Product specification | Magnesium alloy ingot and casting specifications referencing B557 |
Related products and device
Related Standard
ISO
6892 specifies the method for tensile testing of metallic materials and
defines the mechanical properties which can be determined at room
temperature. Related standard ASTM E8 , JIS Z2241 Method of tensile
test for metallic materials.
ASTM A615/A615M : Standard Specification for Deformed and Plain Carbon-Steel Bars for Concrete Reinforcement
Steel reinforcing bars are designed to absorb the stress and weight of concrete structures such as bridges and buildings. ASTM D615 is a testing standard that provides dimensional, chemical, and physical requirements for plain and deformed carbon steel bars manufactured for concrete reinforcement. Deformed bars include surface protrusions to prevent longitudinal movement after being placed in concrete, while plain bars are smooth sided. These products may be supplied in cut lengths or coils, and are engineered for the express purpose of building and construction.
While ASTM A615 references ASTM A370 and ASTM E290 for tensile and bend testing respectively, this standard includes specific procedures relevant to performing these tests on plain and deformed bar. These tests are performed in order to determine physical properties such as strength, elongation, and satisfactory surface condition after bending. Notably, bars produced in accordance with ASTM A706/A706M are also considered to be in conformance to this standard.
ISO 6935-2:2019 Steel for the reinforcement of concrete Part 2: Ribbed bars
This part of ISO 6935 specifies technical requirements for ribbed bars to be used as reinforcement in concrete.
Tensile test (ISO 6935-2 Ribbed bars rebar tensile testing machine)
The tensile test shall be carried out in accordance with ISO 15630-1.
For the determination of percenbtage elongation after fracture, A5,the original gauge length shall be 5 times the nominal diameter.
For the determination of percentage total elongation at maximum force, Agt, equidistant marks shall be made on the free length of the test piece. The distance between the marks shall be 20 mm, 10 mm or 5 mm, depending on the bar diameter.
ISO 15835-1:2009 specifies requirements for reinforcement couplers,
hereafter called couplers, to be used for splicing of steel reinforcing
bars. For couplers to be used for mechanical splices in reinforced
concrete structures under predominantly static loads and additional
requirements for couplers to be used in structures subject to high cycle
elastic fatigue loading and/or to low cycle elastic-plastic reverse
loading.
ISO 15835-1:2009 is intended to be applicable in relation to the various reinforced concrete design standards as well as in relation to the various standards for steel reinforcing bars. also provides directions for the evaluation of conformity of couplers.
ASTM D790: Standard Test Methods for Flexural Properties of Unreinforced and Reinforced Plastics and Electrical Insulating Materials
ASTM D790 test methods are used to determine the flexural properties of unreinforced and reinforced plastics, including high modulus composites and electrical insulating materials utilizing a three-point loading system to apply a load to a simply supported beam (specimen). The method is generally applicable to both rigid and semi-rigid materials, but flexural strength cannot be determined for those materials that do not break or yield in the outer surface of the test specimen within the 5.0 % strain limit.
ASTM E290 Standard Test Methods for Bend Testing of Material for Ductility
ASTM E290 test methods cover bend testing for ductility of materials. Included in the procedures are four conditions of constraint on the bent portion of the specimen; a guided-bend test using a mandrel or plunger of defined dimensions to force the mid-length of the specimen between two supports separated by a defined space; a semi-guided bend test in which the specimen is bent, while in contact with a mandrel, through a specified angle of bend or to a specified inside radius of bend (r) measured while under the bending force; a free-bend test in which the ends of the specimen are brought toward each other, but in which no transverse force is applied to the bend itself and there is no contact of the concave inside surface of the bend with other material; a bend-and-flatten test, in which a transverse force is applied to the bend such that the legs make contact with each other over the length of the specimen.
ISO 9585 describes a test method for straight plates but may also be used for ones having a small initial curvature. The method is neither recommended for plates of a length less than 50 mm nor for those designed to be used with, or forming parts of, intramedullary devices.
The static and dynamic strength of the bone plates are determined in 3-point or 4-point bending tests, whereby the bending device consists of two fixed and parallel supports. The bone plate (1) is fixed or clamped on the specimen holder (2). A cyclic, sinusoidal load is applied to the implant via a punch (3) until the specimen breaks or until the maximum number of cycles is reached. Testing in a liquid bath (heated to body temperature) with Ringer's solution increases the physiological relevance of the test. Force and displacement signals i.e. the deflection of the sample- must be recorded during the test.
ISO 7801: Metallic materials -- Wire -- Reverse bend test
Specifies the method for determining the ability of wire of diameter or thickness 0,3 to 10 mm inclusive to undergo plastic deformation during reverse bending. The range of diameters of thicknesses for which ISO 7801 is applicable may be more exactly specified in the relevant product standard. The test consists of repeated bending, through 90 in opposite directions, of a test piece held at one end, each bend being over a cylindrical support of a specified radius.
ISO 7438 is a standard that specifies a method for determining the ability of metallic materials to undergo plastic deformation in bending. It is used to evaluate the flexural strength and stiffness of a material , The bend test shall be carried out in testing machines equipped with a bending device with two supports and a former; bending device with a V-block and a former; bending device with a clamp. Give our test engineers a call today for help configuring the best test machine and accessories according to your standard.
Require More Customized Solutions?