Information on the most widely used ASTM standards within the materials testing industry
ISO 8256:2023 Plastics — Determination of tensile-impact strength
ISO 8256 specifies two methods (method A and method B) for the determination of the tensile-impact strength of plastics under defined conditions. The tests can be described as tensile tests at relatively high strain rates. These methods can be used for rigid materials (as defined in ISO 472), but are especially useful for materials too flexible or too thin to be tested with impact tests conforming to ISO 179 or ISO 180.These methods are used for investigating the behaviour of specified specimens under specified impact velocities, and for estimating the brittleness or the toughness of specimens within the limitations inherent in the test conditions.
These methods are applicable both to specimens prepared from moulding materials and to specimens taken from finished or semi-finished products (for example mouldings, films, laminates, or extruded or cast sheets).

Results obtained by testing moulded specimens of different dimensions may not necessarily be the same. Equally, specimens cut from moulded products may not give the same results as specimens of the same dimensions moulded directly from the material. Test results obtained from specimens prepared from moulding compounds cannot be applied directly to mouldings of any given shape, because values may depend on the design of the moulding and the moulding conditions. Results obtained by method A and method B may or may not be comparable.
ISO 8256 Test Principle:
A pendulum is raised to a fixed height and released, gaining kinetic energy.
At the lowest point of its swing, the pendulum impacts the specimen/crosshead assembly.
The specimen is rapidly stretched in tension and fractures.
The energy absorbed to break the specimen is calculated from the loss in pendulum kinetic energy.
Corrections are applied for energy lost to accelerate/bounce the crosshead (Eq for Method A, Eb for Method B).
Tensile‑impact strength is reported as energy per unit cross‑sectional area (kJ/m²).
Specific Test Methods
| Method A (Stationary Frame Method) | One end of the specimen is rigidly clamped to the fixed frame. The other end is attached to a rigid, fixed‑mass crosshead (yoke). A pendulum strikes the crosshead, accelerating it suddenly and pulling the specimen in tension until fracture. |
Method B (Specimen‑in‑Head Method) aligned with ASTM D1822 | The specimen is mounted inside the pendulum head. A crosshead attached to the free end stops abruptly at impact. The pendulum continues moving, stretching the specimen to failure in tension. |
Test equipment and jig used:
| Pendulum Impact Testing Machine | Tensile‑impact pendulum machine (compliant with ISO 13802); Rigid pendulum arm and striker with concentrated mass. |
| Crosshead | The material used for the crosshead shall be one which gives an essentially inelastic impact (e.g. aluminium). The mass of the crosshead, both for method A and for method B, shall be selected from the values given in below: 15g, 30g, 60g, 120g.
|
Test Procedure:
1, The thickness and width of the test specimen is recorded.
2, The specimen is then clamped to the crosshead and placed into the pendulum.
3, The pendulum is released and allowed to strike the anvil breaking the specimen.
4, The tensile impact energy is recorded and then corrected impact energy is calculated.
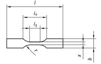
Specimen size:
| Type | L | Le | b | x | Lo | Shape | |
| 1 | Preferred method A, notched | 80±2 | 30±2 | 10±0.5 | 6±0.2 | - | ![]() |
| 2 | Preferred method B | 60±1 | 25±2 | 10±0.2 | 3±0.05 | 10±0.2 | ![]() |
| 3 | Square middle parallel part 10 mm edge length | 80±2 | 30±2 | 15±0.5 | 10±0.5 | 10±0.2 | ![]() |
| 4 | Preferred methods A and B | 60±1 | 25±2 | 10±0.2 | 3±0.1 | - | ![]() |
| 5 | Rigid materials with sufficient specimen height | 80±2 | 50±0.5 | 15±0.5 | 5±0.5 | 10±0.2 | |
L : Length
Le: Free length between grips
B: Width
X: Preferred value of dimension
Lo : Preferred value of dimension
ISO 8256 Tensile Impact Test Applications:
Characterize high‑speed tensile behavior of flexible, thin, or ductile plasticsISO.
Evaluate material toughness and resistance to sudden tensile impact loads.
Quality control for incoming materials and production batches.
Compare material formulations, fillers, reinforcements, and processing effects.
Assess durability after aging, heat exposure, or environmental conditioningISO.
Support product design for parts subjected to dynamic tensile loads (e.g., hinges, fasteners, films).
Related products and device
Related Standard
ASTM D1822 Tensile Impact Energy to Break Plastics and Electrical Insulating Materials
ASTM D1822 standard outlines test procedures to find the energy required to rupture tension-impact specimens of plastic or electrical insulating materials. Test materials that are too bendable or too thin to be tested in accordance with the ASTM D256 standard are ideal for this test along with more rigid materials.
Require More Customized Solutions?