Home >> Application >> By Standard >> ASTM >> ASTM D >> ASTM D3500 Tension Test Methods for Structural Panels

ASTM D3500 Tension Test Methods for Structural Panels

Share:

ASTM D3500 Standard Test Methods for Structural Panels in Tension

ASTMD3500 test methods cover the determination of the tensile properties of wood structural panels. To determine the tensile properties of wood structural panels in response to stresses acting in the plane of the panle. 


The Wood structural panels in use include plywood, oriented strand board and composites of veneer, and other wood-based layers.


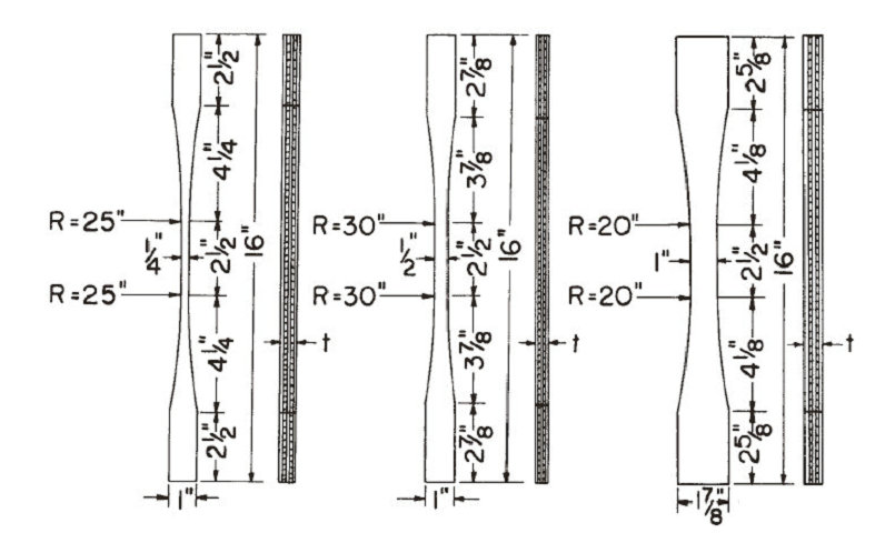
Test sample of ASTM D3500: 

ASTM D3500 Tension Test Methods for Structural PanelsASTM D3500 Tension Test Methods for Structural Panels


Test method of ASTM D3500: 

Test Method ATensile Test for Small Specimens: 
A1:

Employs small specimens that should have a reduced cross section at the center of their length to avoid failure in the grip area.

The transition from full width of specimen to reduced section at the center should be gradual to minimize stress concentration.

A2:When the measurements of elastic properties are to be made, the length of the reduced cross section at the center should be of sufficient length to accommodate an extensometer.
Test Method BTensile Test for Large Specimens
B1:This test method employs large specimens and responds well to manufacturing variables, panel grade characteristics, and other variables influencing the tensile properties of structural panels.
B2:

The test specimens are large enough to contain the maximum sized grade characteristics found in panels

The test specimens have a constant cross section since the size and location of grade characteristics control the location of failures and the effect of stress concentration at the grips is overshadowed.




< Previous: ASTM D3410 Shear Loading compression Test for Polymer Matrix Composite Materials with Unsupported Gage Section

> Next: ASTM D3702 Friction and Wear Test For of Materials in Self-Lubricated Rubbing Contact

Require More Customized Solutions?

We offer customization to meet your specific needs. Our expert team will collaborate with you to develop the perfect product for you
Customize Now

Beijing United Test Co., Ltd.